Муфта обжимная открытая

Посмотреть PDF
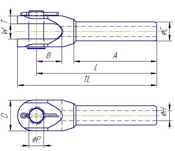
Условное обозначение | Диаметр каната, мм | Размеры, мм | Масса, кг | |||||||||
ØC | ØH | ØP | B | TL | A | L | T | W | D | |||
ООП 6 Хл | 6 | 13 | 7 | 17 | 38 | 121 | 54 | 102 | 8 | 17 | 35 | 0,25 |
ООП 8 Хл | 8 | 20 | 9 | 21 | 44 | 159 | 81 | 135 | 10 | 21 | 41 | 0,57 |
ООП 10 Хл | 10 | 20 | 10 | 21 | 44 | 159 | 81 | 135 | 10 | 21 | 41 | 0,56 |
ООП 11 Хл | 11 | 25 | 12 | 25 | 51 | 198 | 108 | 169 | 13 | 25 | 51 | 1,11 |
ООП 13 Хл | 13 | 25 | 14 | 25 | 51 | 198 | 108 | 169 | 13 | 25 | 51 | 1,08 |
ООП 14 Хл | 14 | 32 | 15 | 30 | 57 | 243 | 135 | 206 | 16 | 32 | 63 | 2,11 |
ООП 16 Хл | 16 | 32 | 17 | 30 | 57 | 243 | 135 | 206 | 16 | 32 | 63 | 2,06 |
ООП 19 Хл | 19 | 39 | 20 | 35 | 70 | 297 | 162 | 254 | 19 | 38 | 76 | 3,68 |
ООП 22 Хл | 22 | 43 | 24 | 41 | 83 | 346 | 189 | 295 | 23 | 44 | 86 | 5,38 |
ООП 25 Хл | 25 | 50 | 27 | 51 | 95 | 397 | 216 | 340 | 26 | 51 | 102 | 5,45 |
ООП 28 Хл | 28 | 57 | 30 | 57 | 108 | 444 | 243 | 381 | 30 | 57 | 114 | 12,0 |
ООП 32 Хл | 32 | 64 | 34 | 64 | 121 | 494 | 270 | 419 | 30 | 63 | 127 | 16,2 |
ООП 35 Хл | 35 | 71 | 37 | 64 | 133 | 540 | 297 | 460 | 33 | 63 | 133 | 20,5 |
ООП 38 Хл | 38 | 78 | 40 | 70 | 146 | 591 | 324 | 502 | 37 | 76 | 146 | 29,5 |
ООП 44 Хл | 44 | 86 | 47 | 89 | 171 | 689 | 378 | 584 | 43 | 89 | 178 | 42,2 |
ООП 51 Хл | 51 | 100 | 54 | 95 | 203 | 798 | 432 | 679 | 46 | 102 | 203 | 65,8 |
ООП 57 Хл | 57 | 113 | 60 | 108 | 171 | 835 | 486 | 705 | 65 | 114 | 222 | 93,4 |
ООП 63 Хл | 63 | 125 | 67 | 108 | 171 | 879 | 498 | 749 | 65 | 114 | 222 | 103,0 |
ООП 76 Хл | 76 | 151 | 80 | 133 | 219 | 1045 | 603 | 905 | 76 | 146 | 241 | 181,0 |
Муфта обжимная закрытая
Муфта обжимная резьбовая
Муфта обжимная цилиндрическая исполнение 1
Муфта обжимная цилиндрическая исполнение 2